
Bestellware
| Hersteller | Phoenix Contact Deutschland GmbH |
| Typ | SUBCON-PLUS-CAN/90/M12 |
| Hersteller ID | 2902323 |
| Unsere Artikelnummer | 7008594 |
| Bestellmenge | 1 Stück |
| Inhalt Verpackung | 1 Stück |
| EAN | 4046356655033 |
| Zolltarif-Nr. | 85366990 |
36.96 € per 1 Stück
zzgl. Mwst und Versand
Fragen Sie Ihren individuellen Einkaufspreis gerne bei uns an.
Registrieren Sie sich hier für unseren Premiumshop, um Datenblätter und individuelle Preise einzusehen.
Artikeleigenschaften
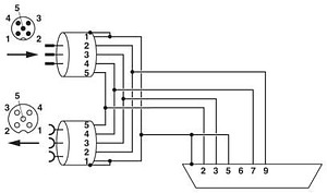
D-SUB-Stecker, 9-polig, Buchse, Belegung: 2, 3, 5, 6, 7, 9. zwei M12-Kabelzuführungen (A-kodiert) unter 90°. Bussystem: CAN, CANopen. Abschlusswiderstand über separaten M12-Terminator.
Polzahl
9.0
Weitere Artikel aus der Kategorie Kommunikationstechnik-/Adapter/Klinkenstecker
Weitere Produktempfehlungen
Passende Services
Als zuverlässiger Systemlieferant bietet rolf weigel alles aus einer Hand: eine breite Produktpalette für Maschinen- und Schaltschrankbau sowie ein umfassendes Serviceangebot in Gehäusebearbeitung, Schaltschrankbau, Komponentenfertigung und Kabelkonfektion – Qualität „Made in Germany".









